Před instalací jednotky na stožár ověřte pohledem, že výhled směrem na vzdálenou jednotku je bez překážek. Zkontrolujte zejména tyto možné překážky:
Volná Fresnelova zóna. Signál potřebuje širší prostor, než je průměr antény.
Stromy na spodním okraji Fresnelovy zóny. Za několik let budou vyšší.
Možnost stavby nových budov.
Předměty v těsné blízkosti antény, jako okraje ostatních antén, jejich držáky, okraje střechy.
podle způsobu montáže na stožárovou trubku:
pravostranná montáž
levostranná montáž
podle způsobu montáže jednotky FOD – polarizace antény:
horizontální montáž
vertikální montáž
V obou případech montujeme jednotku orientovanou konektory šikmo dolů.
Změna způsobu montáže
Držák antény je dodáván částečně smontovaný, připravený pro pravostrannou montáž.
Při úpravě držáku antény typu Jirous pro levostrannou montáž je třeba vyšroubovat seřizovací šroub (poz. 11) a šroub naklápění (poz. 12), posunout držák (poz. 13) na třmenu (poz. 4) do polohy na druhou stranu (neobracet), šroub (poz. 12) poté zasunout do druhého otvoru v držáku a stejného otvoru ve třmenu a zajistit maticí. Seřizovací šroub (poz. 11) s maticemi (poz. 9) se přesune na druhou stranu třmenu (poz. 4). Dále je nutné předělat zavěšovací šroub (poz. 7) v desce (poz. 5) do druhého otvoru tak, aby po otočení antény byl opět nahoře.
Při úpravě držáku antény typu Arkivator pro levostrannou montáž je třeba vyšroubovat seřizovací šroub (poz. 17) a přemístit jej na druhou stranu tělesa držáku (poz. 3) a třmenu (poz. 4). Dále je třeba přemístit na druhou stranu tělesa držáku (poz. 3) seřizovací šroub (poz. 21) s táhlem tvaru U (poz. 13). Tím dosáhneme toho, že bude stále zajištěn dobrý přístup k seřizovacím prvkům pro směrování antény i při obrácené montáži.
U antény je při změně způsobu montáže z pravostranné na levostrannou potřeba pouze předělat na horní stranu závěsné oko a otočit čelní plastový kryt antény. Otočení plastového krytu není důležité pouze z estetického hlediska, aby nebylo logo firmy RACOM obráceně, ale proto že na spodní hraně paraboly je odvodňovací kanálek (kromě paraboly ø380 mm).
Při změně polarizace z horizontální na vertikální se pouze pootočí jednotka FOD o 90° na středovém čepu antény po povolení čtyř šroubů pomocí klíče Imbus 6 na sloupcích držáku paraboly. (Nebo na sloupcích poz. 26 redukčního kříže poz. 7 u antény typu Arkivator)
Mikrovlnný spoj RAy je obvykle dodáván rozložený na několik částí zabalených samostatně do krabic.
Dvě parabolické antény ø38 a 65 cm typu Jirous nebo ø30, 60 a 120 cm Arkivator podle parametrů spoje.
Dva držáky pro montáž antény na stožár.
Dvě stanice FOD, každá zvlášť v krabici a ještě ve společném obalu.
Další příslušenství podle objednávky (podrobněji v kapitole 3.6 – „Příslušenství“)
Při objednávce mikrovlnného spoje RAy lze volit mezi anténami dvou výrobců připojenými k jednotce FOD firmy Racom.
Pro montáž mechanických částí antény je zapotřebí matkový klíč číslo 17 a klíč Imbus 6. Klíč číslo 17 slouží i k přesnému nastavení směru antény. Oba tyto klíče se nachází v sadě RAy Tool pro instalaci mikrovlnných spojů RAy.
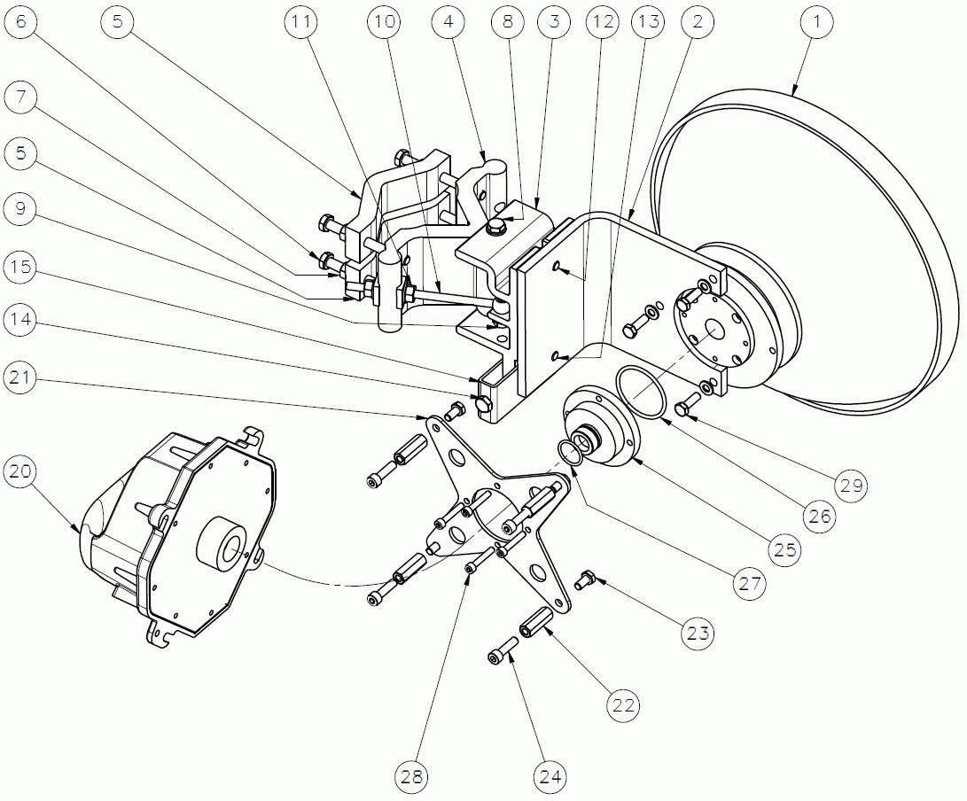
Připravíme držák antény podle průměru stožárové trubky. Pro menší průměry příložku (poz. 3) dáme prohnutou částí dovnitř, pro větší průměry ven. Svorníky (poz. 1) na přitlačování příložek ke stožáru zašroubujeme do třmenu (poz. 4) držáku tak, aby přesahovaly asi 1 cm za třmen a příložky budeme přitahovat pomocí matic (poz. 2) na svornících.
Držák antény nasadíme na stožárovou trubku a příložky dotáhneme pomocí matic na svornících.
Druhou část držáku – plochou desku (poz. 5), přišroubujeme třemi šrouby (poz. 6) k parabole antény. Na parabolu přišroubujeme do horního závitu závěsné oko, které nám usnadní manipulaci při montáži. Pozice závěsného oka na parabole a závěsného šroubu na desce se mění podle typu montáže viz Způsob montáže.
Do horního otvoru ploché desky našroubujeme závěsný šroub (poz. 7) tak, aby za něj bylo možné zavěsit anténu na držák. Anténu na něj pověsíme a přišroubujeme i spodní šroub. (poz. 8)
Oba šrouby v desce utáhneme před další montáží, aby nedocházelo k zbytečným pohybům celého zařízení, ale před přesným vertikálním dosměrováním antény po ukončení montáže je třeba oba opět trochu povolit, protože spodní šroub prochází přímo regulačním kamenem a horní slouží jako osa otáčení.
Před montáží jednotky FOD na anténu nejprve dostatečně vyšroubujeme 4 šrouby ve sloupcích na anténě tak, aby se na ně jednotka dala pootočením nasunout. Dále zkontrolujeme zda je správně umístěn „O“ kroužek na čepu antény, zda není poškozen a zda je ošetřen mazacím tukem – viz Mazání. Potom sundáme ochrannou plastovou krytku z centrálního čepu antény a jednotku FOD na něj opatrně nasadíme tak, abychom nepoškodili „O“ kroužek a pootočením ji zajistíme na šroubech ve sloupcích. Pozor na správnou polarizaci antény – viz Způsob montáže. Nakonec šrouby utáhneme klíčem Imbus 6.
Přesné horizontální nasměrování antény se provádí pomocí šroubu se dvěma maticemi, (poz. 9) které se po nasměrování dotáhnou proti sobě pro aretaci antény. Vertikální nasměrování antény na protistanici se provádí otáčením regulačního šroubu (poz. 10) u ploché desky držáku. Po nasměrování se poloha zajistí dotažením šroubů – viz bod e (poz. 7 a 8). Určení správné polohy v obou směrech se provádí podle indikace RSS – voltmetrem, nebo akustickou signalizací (dle výbavy) – viz Směrování antény.
Po dokončení směrování antény utáhneme ještě šrouby na osách naklápění držáku (poz. 11 a 12). Potom ještě jednou zkontrolujeme dostatečné dotažení všech šroubových spojů a můžeme přikročit k připojení jednotky FOD k síti uživatele.
Montáž mikrovlnného spoje RAy s anténou typu Arkivator je velice podobná předchozímu typu montáže – antény typu Jirous. Potřebné nářadí pro montáž se také nachází v sadě RAy Tool pro instalaci mikrovlnných spojů RAy. K montáži postačí matkové klíče číslo 13,16 a 17 a klíče Imbus 4 a 6. Pro montáž antény o jmenovitém rozměru 120 cm je navíc potřebný ještě oboustranný otevřený matkový klíč 14/24.
Držák antény (poz. 3 a 4) je dodáván ve smontovaném stavu podle následujícího obrázku. Příprava držáku a jeho montáž na stožárovou trubku probíhá obdobně jako u montáže antény Jirous (bod a). Držák je uzpůsoben pro průměry do 115 mm. Šrouby poz. 6 mají být do třmene poz. 4 zašroubované tak, aby závit šroubu na druhé straně vyčníval asi 6–10 mm. Příložky poz. 5 jsou potom dotahovány při upevňování na stožárovou trubku maticemi poz. 7.
| Varování | |
|---|---|
Před montáží redukce je třeba z antény sejmout přepravní zelenou krycí fólii středového otvoru vlnovodu |
Po namontování držáku na stožárovou trubku přišroubujeme k držáku úhlovou desku poz. 2 (Arkivator 30 a 60) nebo poz. 30 (Arkivator 99). K této desce je potom přišroubována samotná anténa poz. 1.
Pro montáž jednotky FOD (poz. 20) k anténě je použita redukce (poz. 25), redukční kříž (poz. 21) a sloupky (poz. 22). Při montáži nezapomeňte na vložení těsnicích „O“ kroužků (poz. 26 a 27) a na namazání „O“ kroužku (poz. 27) a spojovacího čepu, viz Mazání.
Pro přesné vertikální směrování antény slouží šroub poz. 14. Při jeho směrování uvolníme šrouby poz. 12 a 13 a potom je opět utáhneme. Horizontálnímu směrování slouží matice na šroubu poz. 10. Po nasměrování musí být dotaženy nejenom tyto matice (poz. 11), ale i čepový šroub poz. 9 na oku šroubu a dva čepové šrouby poz. 8, na nichž se naklání držák poz. 3.
Při nasazení spojovacího pouzdra jednotky FOD na čep antény je třeba zajistit správnou polohu těsnícího „O“ kroužku (1) a je také potřeba zabránit vnikání vlhkosti mezi tyto díly. Tato vlhkost by mohla způsobit oxidaci, která znesnadní příští demontáž tohoto mechanického spojení. Proto ošetříme plochy podle následujícího obrázku mazacím tukem, který je dodán v krabičce jako příslušenství spoje RAy (označeno „Silikonové mazivo). Pokud použijete k namazání jiný tuk, je třeba použít teflonový, nebo alespoň silikonový mazací tuk.
Vnitřní plochu pouzdra na jednotce FOD (2) a „O“ kroužek (1) namažeme slabou rovnoměrnou vrstvou proto, aby šel čep do pouzdra snadno nasadit a „O“ kroužek se nepoškodil. Plochu za „O“ kroužkem na čepu antény (3) namažeme silnější vrstvou tak, aby se vyplnila mezera vzniklá vůlí mezi čepem a pouzdrem (max. 0,1 mm/ø) a zabránilo se tím pronikání vlhkosti. Montáž se provádí podle popisu montáže antény – viz bod f tohoto popisu.
Komunikační jednotka FOD se k síti uživatele připojuje ethernetovým kabelem přes rozhraní GpE, IEEE802.3ac 1000BASE-T. Firma RACOM standardně doporučuje používat pro vnější instalace kabel S/FTP CAT 7 a dva konektory RJ45. Jeden pro vnitřní (IE-PS-RJ45-FH-BK) a druhý pro vnější (IE-PS-V01P-RJ45-FH – k jednotce FOD) konec kabelu.
Napájení stanice je provedeno podle standardu PoE kabelem ethernetu.
Stanice s kódovým označením RAy10-L2, RAy10-U2 jsou opatřeny dvěma konektory. Pravý z nich (s připojeným kabelem na obrázku) vede uživatelská data, levý konektor slouží pro samostatný servisní přístup.
Stanice RAy10-L1, RAy10-U1 mají společný konektor pro data i pro servisní přístup.
Prostřední konektor typu BNC slouží k připojení voltmetru pro přesné nastavení směru.
| Důležité | |
|---|---|
Před připojením komunikační jednotky FOD k napájení (k síti uživatele) musí být jednotka FOD uzemněna podle kapitoly 5.4 – „Zemnění“. |
Montáž svodu od antény je třeba provést tak, aby nebyl nadměrně mechanicky namáhaný ethernetový konektor.
K připojení jednotky FOD doporučujeme použít kabel S/FTP 4×(2×23AWG) Cat.7 + 2×(2×24 AWG), který je určen pro vnější použití. Kabel obsahuje dva přídavné kroucené páry 2x(2×24 AWG), které nejsou využity. Následující ilustrační obrázky jsou pořízeny s vnitřním kabelem bez těchto přídavných párů.
Pro montáž konektorů použijeme nářadí ze sady RAy Tool. Viz kapitola 3.6 – „Příslušenství“.
Povolíme převlečnou matici na krytu konektoru a nasuneme jej na kabel. Potom upravíme konec kabelu tak, že odstraníme izolaci v délce min. 20 mm.
Drátky tvořící stínění kabelu stočíme dohromady a omotáme kolem kabelu za koncem izolace 2–3 závity vedle sebe.
Oddělíme od sebe jednotlivé páry vodičů, odstraníme z nich hliníkové stínění, odstřihneme jej a jednotlivé páry oddělíme. Odstřihneme také dva přídavné kroucené páry z tenčího drátu umístěné uprostřed (na těchto ilustračních obrázcích nejsou obsaženy).
Spodní vrstvu vodičů zasuneme do otvorů podle zvoleného vzoru (T568B) na šablonce přilepené ke konektoru. Dbáme přitom na to, abychom nezaměnili bílé vodiče z jednotlivých párů.
Potom shora zatlačíme do konektoru podle šablony vodiče horních párů kabelu a všechny vodiče zastřihneme. Kabel musí být zasunutý omotaným stíněním uvnitř kovové části konektoru.
Z konektoru odlepíme šablonku a nasuneme na něj protikus. Celý konektor sevřeme až do zaklapnutí zámků. Použijeme k tomu kleště s rovnoběžnými čelistmi ze sady RAy Tool. Obyčejné kleště by poškodily konektor.
Potom nasuneme na konektor ochranný kryt. Musí zapadnout do drážky až po zaklapnutí. Nakonec utáhneme na krytu převlečnou matici, která utěsní průchod kabelu.
Používáme stejné nářadí jako pro montáž vnějšího konektoru. Vnitřní konektor nemá vnější kryt.
Upravíme konec kabelu tak, že odstraníme izolaci v délce minimálně 20 mm.
Drátky tvořící stínění kabelu stočíme dohromady a omotáme kolem kabelu za koncem izolace 2–3 závity vedle sebe. Oddělíme od sebe jednotlivé páry vodičů, odstraníme z nich hliníkové stínění, odstřihneme jej a jednotlivé páry oddělíme. Odstřihneme také dva přídavné kroucené páry z tenčího drátu umístěné uprostřed (na těchto ilustračních obrázcích nejsou obsaženy).
Jednotlivé páry připravíme podle šablony nalepené na konektoru (T568B) a dva páry příslušné ke spodní řadě kontaktů rozpleteme. Dbáme přitom na to, abychom nezaměnili bílé vodiče z jednotlivých párů.
Nejprve zastrčíme zezadu spodní řadu vodičů, potom postupně rozpleteme a shora zasuneme do drážek horní řadu vodičů podle šablony. Omotané stínění musí být dostatečně zasunuto aby vznikl dobrý kontakt s druhou částí konektoru opatřenou pružnými kontakty. Zaklapneme na kabel plastovou příchytku. Domáčkneme ji tak, aby přidržovala kabel aby nevyklouzl.
Přesahující vodiče odstřihneme.
Z konektoru odlepíme šablonku a nasuneme na něj protikus. Celý konektor sevřeme až do zaklapnutí zámků. Použijeme k tomu kleště s rovnoběžnými čelistmi ze sady RAy Tool. Obyčejné kleště by poškodily konektor.
Ochrana zařízení před bleskem a přepětím bude provedena dle ČSN EN 62305.
Tam kde je to možné, má být anténa umístěna do ochranné zóny LPZ 0B s použitím např. místního nebo strojeného jímacího zařízení pro ochranu před přímými údery blesku.
Při dodržení podmínek na zajištění elektrické izolace (vzdálenost od hromosvodu) dle čl. 6.3 se nedoporučuje nosné konstrukce a anténu uzemňovat na vnější jímací soustavu. Uzemnění provést na ochrannou soustavu vnitřního rozvodu nn nebo uzemněné vnitřní konstrukce vodičem CYA 6 mm2, viz. Obr. 5.59 – „Uzemnění instalace 1“ a Obr. 5.67.
Pokud nelze zajistit podmínky elektrické izolace dle čl. 6.3 doporučujeme navíc nosné konstrukce na úrovni střechy spojit vodičem FeZn o průměru 8 mm s vnější jímací soustavou a stínění datového kabelu před vstupem do budovy pomocí uzemňovacího kitu a vodiče CYA 6 mm2 ke sběrnici pospojování, není-li zřízena, tak k vnější jímací soustavě, viz. Obr. 5.60 – „Uzemnění instalace 2“.
V případě, že na objektu není zřízena vnější LPS, doporučujeme bleskové proudy svést vodičem FeZn o průměru 8mm na společnou uzemňovací soustavu, nebo na samostatný zemnič se zemním odporem do 10 Ω.
Pro omezení přepětí zavlečeného po datovém kabelu do vnitřního prostoru doporučujeme na rozhraní zón LPZ 0 a LPZ 1 osadit přepěťovou ochranu připojenou vodičem CYA 4 mm2 do stejného uzemňovacího bodu jako anténu, respektive anténní stožár.
Napájecí zdroj PoE doporučujeme chránit před přepětím ze strany nn vhodnou přepěťovou ochranou třídy D.
Jednotka RAy se uzemňuje pomocí šroubu M6 na přírubě u ethernetového konektoru. Jako ochranný vodič se používá izolované měděné lano o průřezu min. 6 mm2 zakončené kabelovým okem, označené kombinací barev zelená/žlutá po celé délce vodiče. Pro uzemnění je možné jako příslušenství objednat zemnící sadu RAy (viz3.6 – „Příslušenství“), která obsahuje zemnící svorku ZSA16, 40 cm zemnící pásky š. 15 mm a 100 cm kabelu se zemnícími očky. Návod k montáži svorky viz datasheet na www.racom.eu/download/mikrovlny/free/cz/07_prislusenstvi/ZSA16.pdf. Montáž antény musí provádět alespoň osoba znalá.
Jako ochranu před přepětím dodává firma Racom pro montáž na ethernetový kabel pro vstup do budovy přepěťovou ochranu. Podrobnosti viz. www.racom.eu.
Upozornění na související normy
Ochrana před nebezpečným dotykem neživých částí je provedena dle ČSN 33 2000-4-41 malým napětím (SELV).
Ochranný vodič a společná uzemňovací soustava musí vyhovovat požadavkům ČSN 33 2000-4-41 a ČSN 33 2000-5-54.
Dodržovat nařízení vlády č. 362/2005 Sb. o bližších požadavcích na bezpečnost a ochranu zdraví při práci na pracovištích s nebezpečím pádu z výšky nebo do hloubky.
K obsluze rádiových povelových a telemetrických stanic se nevyžaduje odborná způsobilost dle zákona č. 127/2005 Sb. Obsluhující osoba však musí mít potřebné znalosti a schopnosti.
Další bezpečnostní doporučení
Instalovat antény na stožáry, střechy a stěny budov mohou pouze pracovníci s oprávněním pro práce ve výškách.
Neinstalujte anténu v blízkosti elektrického vedení. Anténa a držák antény nesmí v žádném případě přijít do kontaktu s elektrickým vedením.
Antény a kabely jsou elektrické vodiče. Při jejich instalaci může dojít k náhodným elektrostatickým výbojům a následnému zranění pracovníků. Při instalaci nebo opravách částí anténního napáječe musí být otevřené kovové části dočasně uzemněné.
Anténa i kabel antény musí být vždy uzemněny.
Anténu nemontujte ve větrném nebo deštivém počasí, za bouřky nebo pokud je pracovní oblast pokryta sněhem nebo ledem.
Nedotýkejte se antén, anténních držáků a vodičů během bouře.
K instalované jednotce FOD připojíme kabelem ethernet napájecí PoE Battery unit a konfigurační PC. Pomocí internetového prohlížeče (Mozilla Firefox) vstoupíme do ovládacího menu.
Spektrálním analyzérem v menu Dagnostics/Tools zjistíme úroveň rušení v jednotlivých kanálech. V případě nutnosti upravíme podle výsledku volbu pracovního kanálu.
Přitom respektujeme pravidlo, že na jednom místě všechny jednotky vysílají v horní polovině pásma U a přijímají v dolní polovině L nebo naopak. Vysílač nesmí být instalován v té polovině pásma, kde ostatní jednotky přijímají.
Pro první nasměrování antény použijeme parametry podle Konfiguračního manuálu, Step-by-step Guide 4.3 – „Test“ (7 MHz, QPSK, High, +3 dBm). Je výhodné, když můžeme pracovat na obou koncích spoje současně. Připojíme voltmetr ke konektoru BNC a na rozsahu 2 V DC sledujeme změny RSS. Pracujeme střídavě na jedné a na druhé jednotce a jemným seřizováním směru antény ve svislé a vodorovné rovině hledáme nejsilnější signál. Přitom hledáme hlavní maximum signálu, pro rozlišení vedlejších maxim pomůže odstavec Hlavní a vedlejší laloky.
Indikace RSS
Pro správné nastavení spoje a jeho směrování je vhodné připojit PC a využít diagnostických možností stanic RAy. V nekomplikovaných případech vystačíme s voltmetrem připojeným přes konektor BNC a seřizujeme na maximum indikovaného napětí.
Napětí v rozsahu 0,5 až 2 V indikuje sílu přijímaného signálu. Anténu se stanicí seřídíme na maximální napětí voltmetru podle bodu g montážního postupu. Pokud je spoj vybaven akustickou signalizací, tak ji lze také využít. Akustická signalizace se v tomto případě zapíná v menu Diagnostics Tools. Po seřízení akustickou indikaci vypneme.
Hlavní a vedlejší laloky
Obě antény je třeba vzájemně nasměrovat hlavními vrcholy vyzařovacího diagramu. Anténu seřizujeme střídavě v horizontální a vertikální rovině a sledujeme výslednou sílu signálu. Vodítkem je výpočet, kterým zjistíme očekávané RSS s přesností několika dBm. Boční laloky dávají signál slabší o cca 20 dBm (https://www.racom.eu/cz/products/mikrovlnny-spoj-ray.html#calculation).
Vypočtené RSS pomůže rozlišit stavy A–A a C–C, které se jeví podobné. Rovněž pomůže v případě nastavení podle obrázku „chybné nastavení“, kdy nás prosté hledání maxima nevede k cíli.
Skutečné vyzařovací diagramy jsou složitější, především mají odlišné průběhy v horizontální a ve vertikální rovině. Základní postupy pro nalezení hlavního vyzařovacího laloku však zůstávají v platnosti. Ilustrační příklad:
Základní parametry spoje jsou uvedeny v menu Status, jeho kvalita je charakterizována parametry RSS a SNR.
Hodnoty RSS, SNR a BER jsou obnovovány v reálném čase s periodou několika sekund a uvedeny v menu Diagnostics/Realtime.
Po dokončení instalace je vhodné resetovat statistiky tlačítkem Clear v menu Diagnostics/Statistics. Tím si usnadníme další sledování spolehlivosti spoje.
Po nasměrování obou antén konfigurujeme operační parametry spoje:
Šířka pásma (Bandwidth) 28 / 14 / 7 MHz
Volba kanálu (TX / RX channel)
Modulace (TX modulation) – doporučeno je ACM. Při volbě fixní modulace je nutno brát v úvahu únik. Je-li fixní modulace nastavena na momentálně možné maximum, pak zhoršení RSS může ohrozit jak přenos dat tak i servisní přístup.
Kódování (Coding strength) – pro ACM se nastavuje automaticky
Vysílací výkon (RF power)
Zkontrolujeme a zaznamenáme si IP adresy
Určíme přístupové kanály – https / telnet / ssh / ssh s heslem
Restartujeme obě jednotky přerušením napájení a zkontrolujeme stav linky. Tím ověříme, že všechny parametry byly řádně uloženy do paměti.
Provedeme Device/Configuration/Backup a uložíme konfiguraci do záložního souboru “ray.conf”.
Tím je instalace ukončena. Další konfigurační zásahy mohou být provedeny dálkovým přístupem. Pro lepší orientaci všechna menu obsahují helpy. Jejich přepis je uveden v následující kapitole.







































































